 Scope of application & Features:
This machine is mainly applicable for continuous drying of wheat, paddy, corn, soybean and
other grains. Compared with traditional dryers, this machine can save energy for 20~30%
thanks to high temperature drying technology adopted. It utilizes energy efficiency
sufficiently because the grains exposure to the heat air with high temperature only takes
several seconds and the contact time is very short. And also the machine is equipped with
automatic system of heat air control hence increased reliability and heat efficiency.
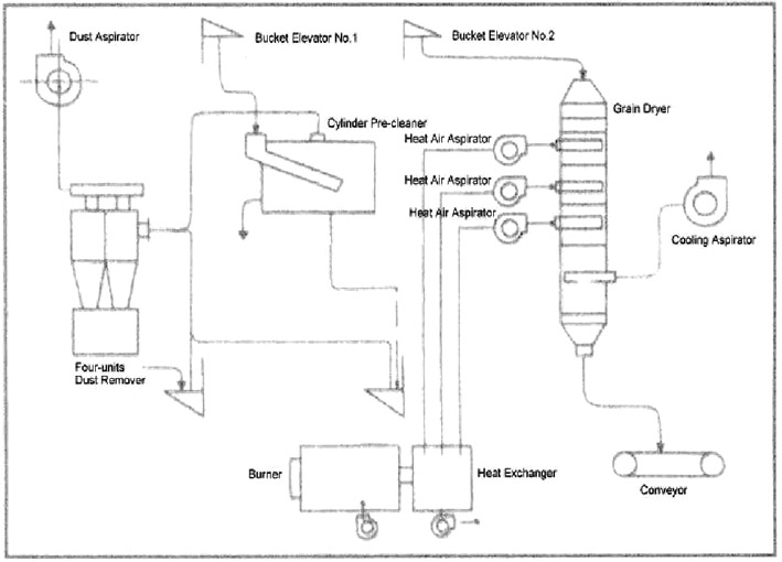
Main Structure & Characteristic:
This machine is with whole metal constructions and composed by knock-down metal plates
discreteness. Main discreteness includes storage section, preheating section, heating
section, revival section, cooling section, quantitative discharging device, discharge
auger, aspirator, heat air burner with coal fuel, temperature automatic adjusting system
and electric protection components. It is also possible to increase or decrease the
heating sections according to the capacity and moisture reducing range required by the
customer.
Main technical characteristics:
1. High range of moisture reducing percent and applicability. This
machine can be assembled with multi sections and apply heat air with higher temperature.
The temperature of drying grains isn't exceed 55°C and the once moisture reduction can be
achieved about 15%.
2. Good quality of drying grains and equality of moisture reduction. It
adopts multi sections drying technology to grains contains higher percent moisture
including Clockwise flow drying > Revival > Clockwise flow drying > Revival …
> Anti-clockwise flow cooling. Special air distributing structure is adopted hence
ensures heat air distributes to the grains layers equably and each grain has equal
opportunity to contact heat air. A revival section is equipped behind each drying section
and it makes temperature and moisture both external and internal of the grains to be
consistent hence ensures good quality of dried grains.
3. High heat efficiency. The heat air of drying section flows in same
direction with grains. Heat air with high temperature contacts with materials with high
moisture content and low temperature at first. Main heat is to vaporize moisture and
exhaust gas goes to saturation state. So the heat efficiency is high and the consumption
of intermediate gas per MT grains is lower than other models of dryer.
4. It can be equipped with PLC system and grains moisture online control
system to realize automatic control to the full period of drying including air
temperature, grains moisture/temperature, material level, speed of grains discharging.
Working Principle
This machine is an attractable closed type dryer and normally designed with drying
principle of low temperature and big air volume. It can also apply best
heat air temperature and air volume according to the requirement from customer and quality
requirement of material to be dried, to achieve the goal of energy saving and high efficiency. When operation, the grains or beans
contains high moisture content are fed into storage section of dryer through bucket
elevator. When material loading full, it is discharged automatically by discharging device
with the signal from level switch. In the same time, heat air contacts with material
sufficiently through the aspirator and the purpose for moisture reduction is achieved. The
dryer model SHNT works continuously, the wet material is fed in from the inlet hopper
continuously and always ensure the dryer in full loading. The moisture is discharged
outside of machine by temperature increasing and moisture reduction system. The dried
material is discharged equably outside of machine by the discharging device after cooling
and is easy to store or next process.
Technical parameters
Item |
Model |
SHNT-5 |
SHNT-10 |
SHNT- 15 |
SHNT- 25 |
Capacity, MT per day
|
100 |
200 |
300 |
500 |
Moisture reduction percent,%
|
5~15 |
5~15 |
5~15 |
5~15 |
Power installed,kW
|
60 |
119 |
159 |
216 |
Heat air temperature, C
|
70 |
70 |
70 |
70 |
Rice split encreased after dryed, %
|
0.3 |
0.3 |
0.3 |
0.3 |
Temperature max. of grains, C
|
<45 |
<45 |
<45 |
<45 |
Temperature of grain discharged, C
|
<5 |
<5 |
<5 |
<5 |
Dimensions (mm)
|
2000x2000x12000 |
3000x3000x12000 |
3500x3500x15000 |
4000x4000x18000 |
Net weight (kg)
|
32000 |
45770 |
58020 |
92820 |
|