VIVAS Co. manager@vivas.com.ua Odesa Ukraine +380 487001892
Complete set high quality cook oil refining unit

refinery.jpg (16693 bytes)

 

 

 


Profile
:
This complete set high quality cook oil refining unit applies to various kinds of edible oil refining including de-gumming, de-acidification, bleaching and deodorization. The finished oil reaches national standard of high quality cook oil. This unit requires small investment and obtains instant effect. It is more suitable for small scale oil mills and private entrepreneur.This unit has 10 models with capacity from 300kgs to 5000kgs per day
This unit is with small batch type refining technics but provides all functions of big or middle scale batch type refining equipment.
This unit is assembled one pass type, installed with heater and electric control panel so it can be put into production only provided electricity, tap water, some coal or firewood (or other fuels such as gas and diesel oil), caustic soda, phosphoric acid and bleaching earth.

Main Equipment
Neutralization pot - for neutralization and washing
Bleaching pot - for bleach grease and remove coloring matter
Deodorization pot - for deodorization with stainless steal made
Conduction oil boiler - supplying heat of production, reaches a temperature of 280С
Vacuum pump - supplying vacuum degree for bleaching and deodorization, reaches a vacuum degree above 755mmHg
Air compressor - drying bleaching earth
Filter press - Filtering bleaching earth
Steam generator - Producing steam for deodorization and distillation with working pressure 0.05Mpa

Characteristics:
- This unit is a batch type complete set refining equipment with simple construction and reasonable layout
- High level of readiness for installation. It can be put into production only provided water, electricity, fuel (coal or firewood), caustic soda, phosphoric acid and bleaching earth. 
- This unit is not suitable for refining of high rancidity crude oil and it's peroxide value over 10 meq/kg.
- Simple installation, no special requirement for workshop or foundation, workable in house or outside. 

Refining Unit _LSX1500BC_loading into container
Refining Unit LSX1500BC_Ready to ship
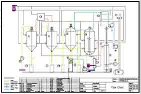
Flow chart of  LSX_300~5000 (15080 bytes)
Specification
Model Capacity
,kg/day
Power
consumption KW/hour
Coal
consumption kh/day *
Water
consumption MT/day
NaOH
consumption 
Bleaching
earth
cosnsumption%
Dimentions
LxWxH mm
Weight,
tonn
LSX-300/500 300~500 1 60 2 depend onperioxide value 2~5 4500x1200x4000 2
LSX-800/1000 800~1000 2 100 3 2~5 7500x1500x4000 3,5
LSX-1500/3000 1500~3000 3~4 150~300  5 2~5 8500x2000x4500 5~8
LSX-4000 4000 6 400 10 2~5 8700x1950x5000 10
LSX-5000 5000 8 500 15 2~5 9200x2050x6000 12
* As a heat carrier gas or diesel oil can be used

 

No Model Capacity Power installed, KW
kg/day A.C B.BC
1 LSX-300 (A.B.C.BC) 300 4,95 9,35
2 LSX-500 (A.B.C.BC) 500 4,95 9,35
3 LSX-800 (A.B.C.BC) 800 7,65 10,95
4 LSX-1000 (A.B.C.BC) 1000 7,65 10,95
5 LSX-1500 (A.B.C.BC) 1500 12,65
6 LSX-2000 (A.B.C.BC) 2000 12,65
7 LSX-3000 (A.B.C.BC) 3000 15,5
8 LSX-4000 (A.B.C.BC) 4000 19
9 LSX-5000 (A.B.C.BC) 5000 25,4
 
Deodorizatioon tank fabricated in stainless steel for all models above
Modification A: Equipped with Single-stage mechanic vacuum pump, Degree of limit vacuum, less ot equal 0.06Pa  
Modification B: Equipped with Roots liquid ring vacuum pump, Degree of limit vacuum, less ot equal 25Pa
Modification C: Equipped with Single-stage mechanic vacuum pump and part of oil contacting is stainless steel made except filter
Modification BC:Equipped with Roots liquid ring vacuum pump and part of oil contacting is stainless steel made except filter

 

LSX-5000B COMPLETE SET VEGETABLE OIL REFINED EQUIPMENT LIST with capacity of 5MT/day click here to see flow chart

Item Description Q-ty, pc Capacity Material
1 Neutralization Pot With Cycloid Pin Wheel Reducer 2 1.1 х 2 kw Q235-A
carbonated  steel
2 Bleaching Pot With Cycloid Pin Wheel Reducer 1 1,1 kw Q235-A
3 Deodorization Pot 1   SUS304
stainless steel
4 Roots Liquid Ring Vacuum Pump. Degree of limit vacuum, less or equal 25Pa 1 10,5 kw Q235-A
5 Air Compressor 1 5,5 kw Q235-A
6 Filter-press 1 10м2 Q235-A/Cotton Fiber
7 Conduction Oil Boiler 1 80000Kcal/h, T=300C Q235-A
8 Conduction Oil Pump 1 3,0 kw, 12M3/h Q235-A
9 Conduction Oil Tank 1 0,2M3 Q235-A
10 Air Blast 1 0,2 kw Q235-A
11 High-level Conduction Oil Tank 1 0.05M3 Q235-A
12 Steam Generator 1 50mg/h Q235-A
13 Condenser 1 3M2 Q235-A
14 Foam Catcher 1 dia=70 Q235-A
15 Crude Oil Pump 1 2,2 kw Q235-A
16 Hot Water Tank 1 dia1000x1000 Q235-A
17 Oil Tank 3 0.05M3 Q235-A
18 Bleaching Earth Tank 1 0.05M3 Q235-A
19 Electric Control Box 1   Q235-A
20 Unit Frame 1   Q235-A
21 Oil Tube 2    
DELIVERY: IN 40'+ 20' CONTAINERS
 
Small scale and industrial vegetable oil treatment equipment . Equipment lists, flow charts, photos.
Complete corn processing plant with capacity of 100MT/day   (incl. decortication, grinding, corn embrio oil pressing, corn embrio oil extraction stations, complete corn oil refining and winterization unit)  

VIVAS Co.
#2, Nejinskaya str.69
Odesa * 65045 * Ukraine

tel+380 48 7001892
  +380 94 952 4892

manager@vivas.com.ua
https://vivas.com.ua

  BACK

Back to main page