ПЕРЕРАБОТКА РИСА. РИСОЗАВОДЫ (Китай)
ВЕРТИКАЛЬНОГО ТИПА
ГОРИЗОНТАЛЬНОГО ТИПА
Полностю укомплектованные рисозаводы горизонтального типа;оптимальная технологическая схема переработки как коротких, так и длинных зерен; передовая технология; производство высококачественного полированного риса; высокий удельный выход цельного риса; внеконкурентное соотношение цена/качество.
Рисозавод 150тонн/сут
| No. п/п | Наименование оборудования | Кол-во | Мощность, квт | Произ-ность Кг/час | Вес, кг | Размеры, LxBxH,mm |
|---|---|---|---|---|---|---|
| 1 | TSC 80 Предварительный очиститель | 1 | 1,1 | 6000~10000 | 405 | 1830x1090x1440 |
| 2 | TQL125 Роторный просеиватель | 2 | 1,1 х2 | 7500~10000 | 997х2 | 2059x1490x1536 |
| 3 | QSF125 Гравитационный камнеотборник | 1 | 0,45 х2 | 7500~10000 | 500 | 1705x2030x1530 |
| 4 | MLG36A Шелушитель | 2 | 7,5 х2 | 3600 | 1055х2 | 1440x1380x2000 |
| 5 | MGC100x12. Гравитационный сепаратор (падди-сепаратор) | 1 | 1.5 | 3300~3500 | 936 | 2025x1616x2350 |
| 6 | MNM16A Двойная рисо-шлифовальная машина | 2 | 37 х2 | 3000~3300 | 660 х2 | 1430x770x11733 |
| 7 | MNM16A Двойная рисо-шлифовальная машина | 2 | 45х2 | 660 х2 | 1470x610x1500 | |
| 8 | MMJ112х3 Сортировальная машина | 2 | 1,5х2 | 4500 | 773 х2 | 1845x1327x1586 |
| 9 | MMP15х2 Двойной влажный полировщик риса в комплекте с водовпрыскивающим устройством, щитом управления | 2 комп | 45 х2 | 3000~5000 | 600 х2 | 1760x800x1960 (основная машина) |
| 10 | TCX15 Магнитный сепаратор | 2 комп | ||||
| Фотосепаратор | Опцион | |||||
| 11 | LS50-B.Автоматическая компьютерная весовыбойная установка (для затарки риса в мешки от 10 до 50 кг) | 2 комп | 1,12 х2 | 4-6 мешков/мин | 1000 х2 | |
| 12 | Нории 26/22 | 3 | 1.5х 3 | |||
| 13 | Нории 26/18 | 8 | 1.1х 8 | |||
| 14 | Системы вентиляции и пилеотделения и шлюзовые камеры | 5 компл | 8.6+16.1+9.7+8.6+12.1 | |||
| 15 | Щит управления + электрооборудование | 1комп | ||||
| 16 | Бункера для риса (готовой продукции) | 3 | ||||
| 17 | Инсталляционные материалы | |||||
| Шеф-монтаж, пусконаладка,обучение | 2 инженера. максимум на 2 месяца. | |||||
Рисозавод 80тонн/сут
| No. п/п | Наименование оборудования | Кол-во | Мощность, квт | Произ-ность Кг/час | Вес, кг | Размеры, LxBxH,mm |
|---|---|---|---|---|---|---|
| 1 | TSC63 Предварительный очиститель | 1 | 0,75 | 6000~10000 | 405 | 1740x1090x1440 |
| 2 | TQL125 Роторный просеиватель | 1 | 1,1 | 7500~10000 | 997 | 2059x1490x1536 |
| 3 | QSX100 Камнеотборник | 1 | 0,75 | 4000~4500 | 544 | 1634x1244x2009 |
| 4 | MLG36A Шелушитель | 1 | 7,5 | 3600 | 1055 | 1440x1380x2000 |
| 5 | MGC100x12. Гравитационный сепаратор (падди-сепаратор) | 1 | 1.5 | 3300~3500 | 936 | 2025x1616x2350 |
| 6 | MNM16A. Двойная рисо-шлифовальная машина | 1 | 37 | 3000~3300 | 660 | 1430x770x11733 |
| 7 | MNM16A Двойная рисо-шлифовальная машина | 1 | 45 | 660 | 1470x610x1500 | |
| 8 | MMJ112х3 Сортировальная машина | 1 | 1,1 | 4200 | 773 | 1845x1327x1586 |
| 9 | MMP15х2 Двойной влажный полировщик риса в комплекте с водовпрыскивающим устройством, щитом управления | 1 комп | 45 | 3000~5000 | 600 | 1760x800x1960 (основная машина) |
| 10 | TCX15.Магнитный сепаратор | 1 комп | ||||
| Фотосепаратор | Опцион | |||||
| 11 | LS50-B.Автоматическая компьютерная весовыбойная установка (для затарки риса в мешки от 10 до 50 кг) | 1 комп | 1,12 | 4-6 мешков/мин | 1000 | |
| 12 | Нории #1-10 | 10 | 0.75х10 | 5000~7000 | 320х10 | |
| 13 | Системы вентиляции и пилеотделения и шлюзовые камеры | 5 компл 3 | 7.5+4x5.5 1.1х3 | |||
| 14 | Щит управления + электрооборудование | 1комп | ||||
| 15 | Инсталляционные материалы | |||||
| Шеф-монтаж, пусконаладка,обучение | 2 инженера. максимум на 2 месяца. | |||||
Рисозавод 50тонн/сут
| № п/п | Наименование оборудования | Модель | Кол-во | Эл.мощность, kw | Вес, кг | Размеры LxWxH, мм |
|---|---|---|---|---|---|---|
| 1 | Предварительный очиститель | TSC63 | 1 | 0,75 | 405 | 1740x1090x1440 |
| 2 | Роторный просеиватель | TQL100 | 1 | 0,75 | 705 | 1940x1145x1336 |
| 3 | Камнеотборник | QSX85 | 1 | 0,75 | 490 | 1514x974x1809 |
| 4 | Рисовый Шелушитель | MLG36A | 1 | 7,5 | 1055 | 1270x1314x2200 |
| 5 | Гравитационный пади-сепаратор | MGC100x10 | 1 | 1.5 | 882 | 1900x1130x1960 |
| 6 | Двойная рисошлифовальная машина | MNM16A | 1 | 37 | 660 | 1430x770x11733 |
| 7 | Двойная рисошлифовальная машина | MNM16A | 1 | 37 | 660 | 1470x610x1500 |
| 8 | Сортировальная машина | MJ100x3 | 1 | 1,1 | 615 | 1740x1400x1550 |
| 9 | TCX15 Магнитный сепаратор | 1 комп | ||||
| 10 | Нории #1-9 | 9 | 0.75х9 | 320х9 | ||
| 11 | Система вентиляции и пылеотделения шлюзовые камеры | 4 2 | 5.5x4 1.1х2 | |||
| 12 | Контрольный щит управления + электрооборудование | 1 | ||||
| 13 | Инсталляционные материалы | |||||
| Шеф-монтаж, пусконаладка,обучение | 2 инженера. максимум на 2 месяца. | |||||
* для производства полированного риса необходимо добавить в линию полировальную машину
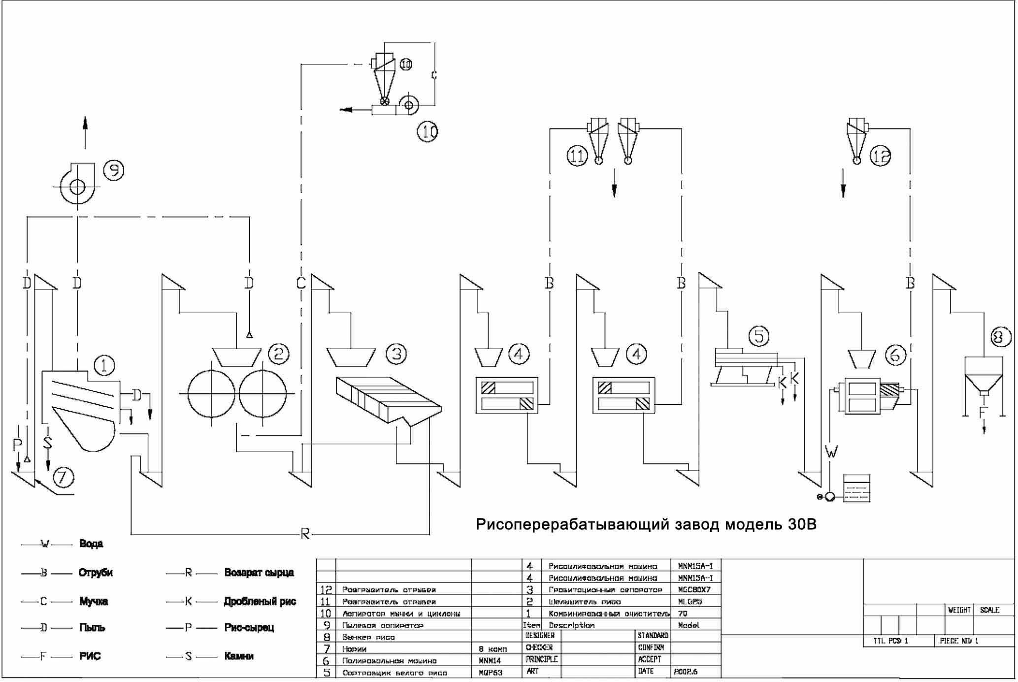
Рисозавод 30 тонн/сут
| № п/п | Оборудование | Кол-во | Мощность (kw) | Вес (kg) | Размеры (mm) |
|---|---|---|---|---|---|
| 1 | ZQS70. Комбинированный очиститель | 1 | 0.4 | 450 | 1440X930X1660 |
| 2 | MLG25. Шелушитель риса | 1 | 5.5 | 800 | 1250X1050X2300 |
| 3 | MGC80X7.Гравитационный сепаратор | 1 | 1.1 | 450 | 1335X1085X1390 |
| 4 | MNM15A-1 Двух-вальцевая рисошлифовальная машина | 2 | 18.5+22 | 2X250 | 870X500X1540 |
| 5 | MMJP63. Сортировщик белого риса | 1 | 0.75 | 350 | 850X330X450 |
| 6 | MNM14. Влажный полировщик риса | 1 | 18.5 | 400 | 1520 х 700 х 1488 |
| 7 | Нории | 8 комп | 8x0.75 | 8X250 | |
| 8 | Бункер риса с задвижкой и две мешкозашивочные машины | 3 | 1.1 | ||
| 9 | Вентиляционная система включая циклоны | 2 комп | 3+1.1 | 160 | |
| 10 | Контрольный щит + электрооборудование | 1комп | 200 | 900 х 500х 2000 | |
| 11 | Рамное основание, инсталляционные мат-алы | 1комп | |||
| Шеф-монтаж, пусконаладка,обучение | 1 инженер. максимум на 1 мес | ||||
Отдельное оборудование
Камнеотборник QSX56/85/100
Сопутствующие продукты
Включает в себя: Экструзионную линию, Круглоткацкий шестичелноковый станок, 3-х цветную печатную машину, Автомат для нарезки ПП рукава, Машину для сшивания ПП рукава, Смеситель-сушилку, Гранулятор-экструдер для переработки отходов про-ва, Пакетировочный прес. Производительность - от 3млн.тканых мешков в год.
Реверсивная Зерновая сушилка непрерывного действия
Обеспечивает эффективный непрерывный процесс сушки риса-сырца, пшеницы, кукурузы, сои и др.зерновых. По сравнению с традиционными сушилками данное оборудование позволяет экономить до 20-30% энергии благодаря используемой технологии высокотемпературной сушки.
Достигается высокий КПД по энергии, так как воздействие горячего воздуха на зерно длится всего несколько секунд и время контакта очень малое. Кроме того сушилка оборудована автоматической системой управления потоками горячего воздуха, что также увеличивает эффективность системы в целом.









